
NCM1-630DC Molded Case Circuit Breaker
NCM1-630DC PV DC circuit breaker is designed to provide overcurrent within appliances or electrical equipment, where a branch circuit protection is already provided or not required. Devices are designed for direct current(DC) control circuit applications. NCM1-PV 2P DC500V/4P DC1000V specialized in Molded Case Circuit Breaker is widely used in solar power system.
- Reliable protection at high ambient temperature
- Loadable: string protection up to 125, size 63A, 80A, 100A, 125A; 250, size: 160A, 200A, 220A, 250A; 400, size: 320A, 400A,500A,630A
- Tested: ultimate short circuit breaking capacity Icu of 25kA according to IEC 60947-2, NCM1-DC250 PV 2P DC500V,3P 750V 4P DC1000V specialized in Molded Case Circuit Breaker dc circuit breaker
- Fast: Reclosable for minimum standstill times
- Safe: reliable disconnector properties, switching under load
- Approval: provide on request
Technical Parameters
| NCM1 Series DC Moulded Case Circuit Breaker | ||||
| NCM1-630DC | ||||
| No.of poles | 4P | |||
| Maximum frame current | 630A | |||
| Electrical parameters | ||||
| Rated operating voltage | Ue | 1500V | ||
| Rated current | In(A) | 225/250/300/350/400/500/630 | ||
| Rated insulation voltage | Ui | 1000V DC | ||
| Rated insulation withstand voltage | Uimp | 12KV | ||
| 1 min power frequency withstand voltage | 3.8KV | |||
| Ultimate breaking capacity | Icu | 50KA | ||
| Operating breaking capacity | Ics | 40KA | ||
| Protection | ||||
| Tripping type | Thermal-magnetictype | |||
| Control and indication | ||||
| Operation mode | manual operation | Direct operation of switch handle | Optional | |
| Manual operation mechanism | Optional | |||
| Electrical operation(MOD) | Optional | |||
| Shunt release | Optional | |||
| Auxiliary release | Optional | |||
| Terminal protective cover | Have | |||
| Interphase plate | Have | |||
| Service life | ||||
| Mechanical life | 14000 | |||
| Electrical life | 5000 | |||
| Protection class | Side IP40, Connecting port IP20 | |||
| Installation and operational environment | ||||
| Standard | ICE60947-2/GB14048.2 | |||
| Ambient temperature | -35℃~+65℃ | |||
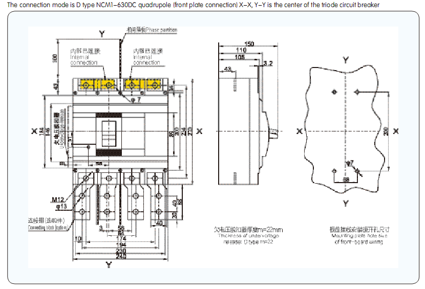
Dimensions


…

English
简体中文
RU
PT









