Home
About Us
Products
EV Charging Stations
Photovoltaic New Energy Systems
Solar PV String Digital Monitoring System
Solar Controller
High Frequency Solar Inverter
Low Frequency Solar Inverter
MPPT Solar Charge Controller
PMW Solar Charge Controller
Pure Sine Power Inverters
Modified Sine Wave Inverter
Solar connector
Lightning combiner boxes
DC circuit breakers
DC Molded Case Circuit Breakers
DC isolation switches
Photovoltaic Fuses
SFPV-25B 1000V
SFPV-50L 1500V
PV Surge Protection Devices
Electrical protections
Air Circuit Breaker
Moulded case circuit breakers(MCCB)
NCM1 series circuit breaker
NCM2 series circuit breaker
Earth-leakage
MCCB+Vigi
NCM3 series circuit breaker
NZC series circuit breaker
Miniature Circuit Breaker(MCB)
NKC1-63 Series 6kA ~ 10kA
NKC2-63 Series 6kA ~ 10kA
NKC7-63 series 6kA ~ 10kA
NKC9-63 series 6kA
NCB1-63 Series 6kA ~ 10kA
NZ47-63 Series 3kA ~ 4.5kA
NME1 Series Series plug-in
AS-10 Series Series plug-in
NRT5 series 1P+N circuit breaker and 1P+N RCBO
Residual current circuit breaker(RCCB)
RCCB with Overload Protection(RCBO)
Isolation switch
Surge Protection Device
Lightning protection backup protector
AC SPDs Type 1
AC SPDs Type 1+2
AC SPDs Type 2
Controlling & Switching
Contactor
ACC1 Series
ACC1-D series
ACC1-F Series AC Contactor
ACC1-N Series Reverseing Contactor
ACC1-Z Series DC Operated AC Contactor
AC19 Changeover Capacitor Contactor
ACX2 Series Magnetic Starter
ACC1-K Series AC Contactor
ACC1-E Series AC Contactor
ACF1 Series AC Contactor
ACC4 Series AC Contactor Type Relay
F4, F8 Series Auxiliary Contact Block
Changeover Capacitor Contactor
ACC3 series dustproof AC contactor
AICT series
NB series
DP Contactor
Waterproof Isolation Switch
Motor protection circuit breaker
Double throw disconnect switch
Variable Frequency Drive
Automation protection devices
Solid State Relay
Safety door switch
Thermal Overload Relay
Electromagnetic relay
Relay socket
Relay module
Timer Relay
Distribution box
Metal power box
Power distribution box
Empty boxes
NHA waterproof power boxs
Junction Box
AX-RA Series
AX-RT Series
AX-KT Series
AX-GT Series
AX-NT Series
Surface-mounted moisture-proof type DB(IP40)
Secret-mounted moisture-proof type DB(IP40)
Waterproof Switch & Socket
Waterproof Switch
Waterproof Socket
Waterproof Switch with Socket
MCB Busbar Pan Assembly
Industrial plug and socket
Rubber
High-end Type Industrial Plug
Economic Type Industrial & Soc
Large Amp Plug & Socket
Terminal accessory
Terminal Blocks
NT terminal
NCT terminal
PCT terminal
Compact Connector
Busbar
Certificate
Contact Us
English
简体中文
RU
PT
NS1-PV40 1500V 3P Type 1+2 DC Surge Protector
…
Fill out my
online form
.
Fill out my Wufoo form!
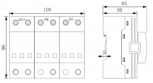
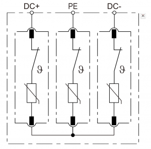
NS1-PV40 1500V 3P Type 1+2 DC Surge Protector
NS1-PV40 2P 500V Surge Protection Device
NS1-PV40 1500 Surge Protection Device
NS1-PV40 2P 800V Surge Protection Device
NS1-PV40 1200V Surge Protection Device
NS1-PV40 3P 1000V Surge Protection Device
NS1-PV40 2P 600V Surge Protection Device
MENU
Home
About Us
Products
EV Charging Stations
Photovoltaic New Energy Systems
Solar PV String Digital Monitoring System
Solar Controller
High Frequency Solar Inverter
Low Frequency Solar Inverter
MPPT Solar Charge Controller
PMW Solar Charge Controller
Pure Sine Power Inverters
Modified Sine Wave Inverter
Solar connector
Lightning combiner boxes
DC circuit breakers
DC Molded Case Circuit Breakers
DC isolation switches
Photovoltaic Fuses
SFPV-25B 1000V
SFPV-50L 1500V
PV Surge Protection Devices
Electrical protections
Air Circuit Breaker
Moulded case circuit breakers(MCCB)
NCM1 series circuit breaker
NCM2 series circuit breaker
Earth-leakage
MCCB+Vigi
NCM3 series circuit breaker
NZC series circuit breaker
Miniature Circuit Breaker(MCB)
NKC1-63 Series 6kA ~ 10kA
NKC2-63 Series 6kA ~ 10kA
NKC7-63 series 6kA ~ 10kA
NKC9-63 series 6kA
NCB1-63 Series 6kA ~ 10kA
NZ47-63 Series 3kA ~ 4.5kA
NME1 Series Series plug-in
AS-10 Series Series plug-in
NRT5 series 1P+N circuit breaker and 1P+N RCBO
Residual current circuit breaker(RCCB)
RCCB with Overload Protection(RCBO)
Isolation switch
Surge Protection Device
Lightning protection backup protector
AC SPDs Type 1
AC SPDs Type 1+2
AC SPDs Type 2
Controlling & Switching
Contactor
ACC1 Series
ACC1-D series
ACC1-F Series AC Contactor
ACC1-N Series Reverseing Contactor
ACC1-Z Series DC Operated AC Contactor
AC19 Changeover Capacitor Contactor
ACX2 Series Magnetic Starter
ACC1-K Series AC Contactor
ACC1-E Series AC Contactor
ACF1 Series AC Contactor
ACC4 Series AC Contactor Type Relay
F4, F8 Series Auxiliary Contact Block
Changeover Capacitor Contactor
ACC3 series dustproof AC contactor
AICT series
NB series
DP Contactor
Waterproof Isolation Switch
Motor protection circuit breaker
Double throw disconnect switch
Variable Frequency Drive
Automation protection devices
Solid State Relay
Safety door switch
Thermal Overload Relay
Electromagnetic relay
Relay socket
Relay module
Timer Relay
Distribution box
Metal power box
Power distribution box
Empty boxes
NHA waterproof power boxs
Junction Box
AX-RA Series
AX-RT Series
AX-KT Series
AX-GT Series
AX-NT Series
Surface-mounted moisture-proof type DB(IP40)
Secret-mounted moisture-proof type DB(IP40)
Waterproof Switch & Socket
Waterproof Switch
Waterproof Socket
Waterproof Switch with Socket
MCB Busbar Pan Assembly
Industrial plug and socket
Rubber
High-end Type Industrial Plug
Economic Type Industrial & Soc
Large Amp Plug & Socket
Terminal accessory
Terminal Blocks
NT terminal
NCT terminal
PCT terminal
Compact Connector
Busbar
Certificate
Contact Us